Ventilátor TD 2000/315 3V tříotáčkový SILENT

Ventilátor  TD 2000/315 (4)
  • Ventilátor  TD 2000/315 (4)
  • Ventilátor Mixvent (2)
  • Ventilátor Mixvent (4)
  • Ventilátor  TD 2000/315 (5)
  • Ventilátor  TD 2000/315 (6)
  • Ventilátor  TD 2000/315 (7)

potrubní ventilátor, TD mixvent, potrubí, ventilace, Více informací

 Není skladem 
40 586
33 542 bez DPH
DPH:
21 %
ks
Další varianty zboží
Doprava zdarma na tento produkt
Výrobce:
Soler&Palau
Katalogové číslo:
0120209/01
Záruka:
2 roky
Další v kategorii:
Ventilátory, Potrubní ventilátory, Velké potrubní ventilátory, Ventilátor TD
Přidat k porovnání

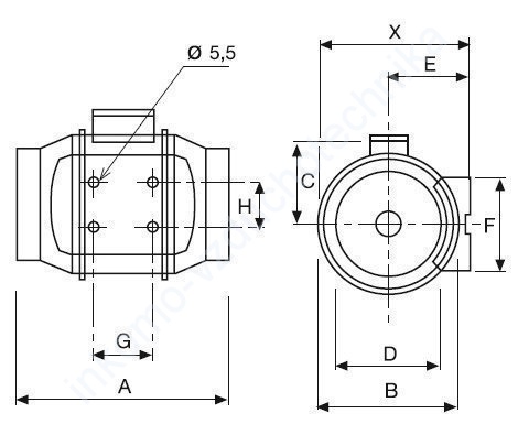
POTRUBNÍ DIAGONÁLNÍ VENTILÁTORY TD MIXVENT JSOU URČENÉ PRO MONTÁŽ DO KRUHOVÉHO POTRUBÍ, IP 44.

 

 -  určeny k dopravě vzduchu bez mechanických částic, které by mohly způsobit abrazi nebo nevyváženost oběžného kola.

 -  nesmí být vystaveny přímému působení vlivu počasí

 -  TD 160 - 800 jsou vyrobeny z plastu

 -  modely TD 1000 - 6000 z ocelového galvanizovaného plechu opatřeného lakem

Motor
Střídavé motory ve ventilátorech TD-160 až TD-350 mají dvojí vinutí, což umožňuje provoz s dvojími otáčkami. Ventilátory TD- 500 až TD-2000 mají trojí vinutí. TD-4000 a TD-6000 mají jedno vinutí, je možné je regulovat změnou napětí. Motory jsou vybaveny tepelnou pojistkou (TD 160–TD 350) nebo tepelnou ochranou (TD 500–TD 6000). Ložiska jsou kuličková s tukovou náplní na dobu životnosti. Třída izolace B, krytí IP44 (TD 250, 350, 800–2000), třída izolace F, krytí IP44 (TD 500), třída izolace F, krytí IP54 (TD 4000, 6000). Ventilátory TD a TD-T jsou pro napětí 230 V, krom TD 4000 TRIF (230/400 V) a TD 6000 TRIF, kde je napájecí napětí 400 V.

 

Parametry

Průměr napojení: 315 mm

Napětí: 230 V

Příkon: 290/223/173 W

Jmenovitý proud: 1,03/0,79/0,64 A

Průtok vzduchu: 1830/1630/1430 m³/hod

Otáčky: 2630/2420/2130 min

Váha: 14 kg

Délka: 450 mm

Max.teplota: -40 až +60 °C

Stupeň krytí: 44 IP

Technický popis Technický popis 2.29 MB Stáhnout soubor
Návod k použití 320.5 kB Stáhnout soubor

Uživatelská recenze produktu Ventilátor TD 2000/315 3V tříotáčkový SILENT

Pokud si najdete alespoň dvě minuty, Váš názor je pro nás velice důležitý.

 

Napsat recenzi
Hodnocení produktu
0% Hodnotilo 0 uživatelů

Odesláním formuláře souhlasím se zpracováním osobních údajů

Mohlo by Vás také zajímat

Nastavení cookies

Co jsou to cookies?

Soubory cookies a další technologie nám pomáhají zlepšovat naše služby, pomáhají nám analyzovat výkon webu a umožňují nám pomáhat zákazníkům ve výběru správného zboží. V nastavení si můžete vybrat, které cookies můžeme používat. Svůj souhlas můžete kdykoliv odvolat.

Přečtěte si naše zásady o zpracování osobních údajů

Technické (nutné)
Nezbytné cookies pro správné fungování našeho webu.
vždy aktivní

Tyto cookies jsou nezbytně nutné pro správnou funkci webu - zajišťují správné zobrazení, odesílání formulářů, vkládání zboží do košíku a podobně. Technické cookies není možné vypnout. 

Statistické
Sledování návštěvnosti a chování na webu nám pomáhá zlepšovat naše služby.
Preferenční
Abychom vám mohli nabídnout to, co vás zajímá a pamatovali si vaše předvolby.

Díky preferenčním cookies vám můžeme přizpůsobit obsah našich stránek a zobrazovat produkty, o které máte zájem. Procházení webu vám ulehčíme tím, že si budeme pamatovat vaše předvolby - např. obsah košíku, přihlášení nebo jazykové předvolby. Používání webu bude pro vás snazší a pohodlnější. 

Marketingové
Pro zobrazení pouze relevantní reklamy. Objem reklamy zůstává stejný.

Marketingové cookies využívají naši partneři k zobrazování relevantní reklamy na základě vašich preferencí. Tato personalisovaný obsah se může zobrazovat na webech třetích stran, které využívají naši partneři k zobrazování reklamních sdělení. Pokud nedáte souhlas s použitím marketingových cookies, objem reklamy zůstane stejný, ale bude se vám zobrazovat nezajímavý obsah. 

Nastavení cookies

Co jsou to cookies?

Soubory cookies a další technologie nám pomáhají zlepšovat naše služby, pomáhají nám analyzovat výkon webu a umožňují nám pomáhat zákazníkům ve výběru správného zboží. V nastavení si můžete vybrat, které cookies můžeme používat. Svůj souhlas můžete kdykoliv odvolat.

Přečtěte si naše zásady o zpracování osobních údajů